分類

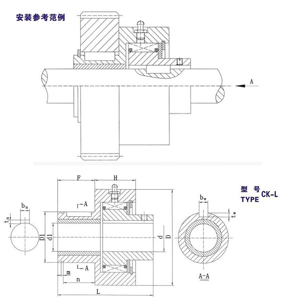
CK-L楔塊式單向榴莲视频污在线观看特性及應用:
CK-L係列為楔塊式單向榴莲视频污在线观看,內含滑動榴莲黄色成人污视频支撐。主要用在轉速較低和安裝空間不足等場合,使用時需提供潤滑脂。
該係列可與齒輪、鏈輪、曲柄等聯結,但不能作聯軸器使用。定購時請注明自A向視之內環旋轉方向。
廣泛應用在印刷、包裝、紡織等設備上,實現超越、定位分度、逆止功能。

型號 | 額定扭矩〔N·m〕 | 超越極-限轉速 | 外形尺寸〔mm〕 | 重量 | |||||||||||
內環 | 外環 | d | d1〔F8〕 | D | D1 | F | H | L | m | n | bw×tw | bn×tn | |||
CK-L1560 | 86 | 1260 | 765 | 15 | 15 | 60 | 26 | 25 | 32 | 70 | 1.3 | 21 | 4×2.5 | 4×1.5 | 0.58 |
CK-L2072 | 225 | 1050 | 680 | 20 | 20 | 72 | 38 | 33 | 38 | 82 | 1.7 | 29 | 6×3.5 | 6×2.8 | 1.17 |
CK-L2585 | 330 | 840 | 552.5 | 25 | 25 | 85 | 45 | 33 | 40 | 85 | 1.7 | 28 | 14×4.5 | 8×3.3 | 1.67 |
CK-L3085 | 330 | 840 | 550 | 30 | 30 | 85 | 48 | 35 | 35 | 85 | 1.7 | 31 | 8×4 | 8×3.3 | 1.78 |
CK-L3095 | 490 | 700 | 340 | 30 | 30 | 95 | 60 | 37 | 41 | 92 | 2.2 | 30 | 8×4 | 8×3.3 | 2.50 |
CK-L40115 | 900 | 560 | 255 | 40 | 40 | 115 | 65 | 37 | 50 | 100 | 2.7 | 30 | 12×5 | 12×3.3 | 3.60 |
CK-L45135 | 1240 | 490 | 255 | 45 | 45 | 135 | 75 | 41 | 54 | 112 | 2.7 | 35 | 14×5.5 | 14×3.8 | 6.00 |