分類


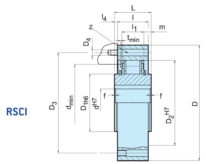
| Size | Torque | Speeds | Number | Weight | |||||||||||||||
| dH7 [mm] | TKN1) [Nm] | nmax2) [min-1] | nimin3) [min-1] | nimax4) [min-1] | D5) [mm] | D1h6 [mm] | D2H7 [mm] | D3 [mm] | D4 | z | L [mm] | I [mm] | I1 [mm] | I4 [mm] | f×45° [mm] | dmin [mm] | m [mm] | tmin [mm] | [kg] |
| 180 | 31500 | 115 | 285 | 1300 | 412 | 240 | 310 | 360 | M20 | 12 | 90 | 80 | 53 | 5 | 3.5 | 280 | 18.6 | 3 | 59 |
| 180 M | 50000 | 90 | 220 | 1300 | 422 | 240 | 310 | 370 | M20 | 18 | 120 | 120 | 83 | 0 | 4 | 280 | 18.5 | 2 | 92 |
| 180 II | 63000 | 115 | 285 | 1300 | 412 | 240 | 310 | 360 | M20 | 24 | 160 | 160 | 118 | 0 | 3.5 | 280 | 21 | 3 | 116 |
| 180 II-M | 100000 | 90 | 220 | 1300 | 425 | 240 | 310 | 370 | M24 | 24 | 240 | 240 | 176 | 0 | 4 | 280 | 32 | 3 | 190 |
| 220 | 42500 | 110 | 265 | 1100 | 470 | 290 | 360 | 410 | M20 | 16 | 105 | 80 | 60 | 12.5 | 4 | 330 | 19.5 | 3 | 90 |
| 220 M | 68000 | 85 | 205 | 1100 | 480 | 290 | 360 | 410 | M24 | 16 | 120 | 120 | 83 | 0 | 4 | 330 | 18.5 | 2 | 109 |
| 220 II | 85000 | 110 | 265 | 1100 | 480 | 290 | 360 | 430 | M24 | 18 | 160 | 160 | 130 | 0 | 4 | 330 | 15 | 3 | 159 |
| 220 II-M | 136000 | 85 | 205 | 1100 | 490 | 290 | 360 | 425 | M30 | 20 | 240 | 240 | 176 | 0 | 4 | 330 | 32 | 2 | 249 |
| 240 | 52000 | 105 | 250 | 1100 | 500 | 320 | 390 | 440 | M20 | 16 | 105 | 90 | 60 | 7.5 | 4 | 360 | 15 | 2 | 95 |
| 240 M | 83000 | 80 | 195 | 1100 | 520 | 320 | 390 | 440 | M24 | 16 | 120 | 120 | 83 | 0 | 4 | 360 | 18.5 | 2 | 137 |
| 240 II | 104000 | 105 | 250 | 1100 | 520 | 320 | 390 | 440 | M24 | 24 | 180 | 180 | 132 | 0 | 4 | 360 | 24 | 2 | 191 |
| 240 II-M | 166000 | 80 | 195 | 1100 | 530 | 320 | 390 | 455 | M30 | 24 | 240 | 240 | 181 | 0 | 4 | 360 | 32 | 2 | 250 |
| 260 | 65000 | 100 | 240 | 1000 | 550 | 360 | 430 | 500 | M24 | 16 | 105 | 105 | 60 | 0 | 4 | 400 | 22.5 | 2 | 130 |
| 260 M | 100000 | 75 | 185 | 1000 | 580 | 360 | 430 | 500 | M24 | 24 | 125 | 125 | 83 | 0 | 4 | 400 | 21 | 2 | 183 |
| 260 II | 130000 | 100 | 240 | 1000 | 580 | 360 | 430 | 500 | M24 | 24 | 210 | 210 | 132 | 0 | 4 | 400 | 39 | 2 | 262 |
| 260 II-M | 200000 | 75 | 185 | 1000 | 580 | 360 | 430 | 500 | M30 | 24 | 250 | 250 | 176 | 0 | 4 | 400 | 37 | 2 | 369 |
| 300 | 78000 | 90 | 225 | 1000 | 630 | 410 | 480 | 560 | M24 | 24 | 105 | 105 | 60 | 0 | 4 | 460 | 22.5 | 3 | 174 |
| 300 M | 125000 | 70 | 175 | 1000 | 630 | 410 | 480 | 560 | M24 | 24 | 125 | 125 | 83 | 0 | 4 | 460 | 21 | 3 | 210 |
| 300 II | 156000 | 90 | 225 | 1000 | 630 | 410 | 480 | 560 | M24 | 24 | 210 | 210 | 134 | 0 | 4 | 460 | 38 | 3 | 351 |
| 300 II-M | 250000 | 70 | 175 | 1000 | 630 | 410 | 480 | 560 | M30 | 24 | 250 | 250 | 182.6 | 0 | 4 | 460 | 33.7 | 3 | 457 |
